제품소개

최고의 기술과 품질로 아름답고 깨끗한 환경의 국토건설에 이익을 담당하여
국가발전과 사회적 책임을 다하고자 합니다.

  • 규격

    150, 200, 250, 300, 400

    재질

    PE이중벽유공관

    용도

    침투트렌치 내 침투관(침투시설)
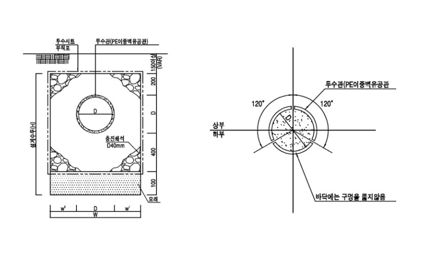
    개요
    - 침투트렌치는 길게 굴착한 도랑에 쇄석을 충전하고 그 중심에 침투통과 연결되어 유공관을 설치하여 빗물을 통하게 하며, 쇄석의 측면 및 바닥을 통하여 땅속으로 침투시키는 시설을 말한다.
    - 침투트렌치는 투수관, 충진쇄석, 모래, 투수시트, 관입구 필터 등으로 구성된다.
    제품도면
    제품소개
    규격 내경(D) 설계수두(H) 시설폭(W) 좌우폭(w’) 비고
    150 150 600 350 100 120도
    200 200 700 400 100 120도
    250 250 800 550 150 120도
    300 300 900 600 150 120도
    400 400 1100 800 200 120도
    침투트렌치의 저감효율(%)
    BOD T-N T-P
    53 72 46
    ※ 출처 : 비점오염저감시설 설치 및 관리·운영 매뉴얼(2016.2 환경부)